应用电感耦合等离子体质谱技术研究牦牛坪矿床霓长岩化蚀变矿物微量元素特征

Determination of Trace Element Compositions of Altered Minerals in Fenitization Veins by Inductively Coupled Plasma-Mass Spectrometry

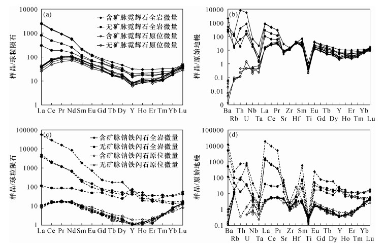
  • 摘要: 近年来全岩电感耦合等离子体质谱(ICP-MS)和原位激光剥蚀电感耦合等离子体质谱(LA-ICP-MS)微量元素地球化学测试在地球科学领域的应用越来越广泛。霓长岩化是碳酸岩型稀土矿常见的蚀变类型,但其中的蚀变矿物微量元素特征与稀土矿化关系并不清楚。本文对川西牦牛坪矿床两期霓长岩化脉(无矿脉和含矿脉)中的霓辉石、钠铁闪石同时开展ICP-MS和LA-ICP-MS微量元素测试。结果表明:同期次的霓长岩化脉中,霓辉石、钠铁闪石全岩ΣREE含量远高于单矿物原位ΣREE含量,背散射图像显示霓辉石、钠铁闪石矿物中叠加了一些氟碳铈矿、重晶石微矿物。不同期次霓长岩化脉中霓辉石原位微量对比,含矿脉中的霓辉石具有更高的La/Nd值(0.19~0.23)、LREE/HREE值(6.58~7.79)、Ce/Nd值(0.95~1.11)、LaN/YbN值(2.07~2.33)。对比全岩微量组成,含矿脉中高含量的La、Ce、LREE、ΣREE,强烈的轻重稀土分异,可能代表了高稀土通量的霓长岩化流体。霓长岩化脉的出现以及脉体中霓辉石、钠铁闪石这些全岩微量、原位微量地球化学指标,可为碳酸岩型稀土矿床找矿勘查提供参考。

     

    Abstract:
    BACKGROUNDIn recent years, whole-rock inductively coupled plasma-mass spectrometry (ICP-MS) trace and in situ laser ablation-inductively coupled plasma-mass spectrometry (LA-ICP-MS) trace element analyses have been increasingly more widely used in the field of earth sciences. Fenitization is a common type of alteration in carbonate-type rare earth deposits, but the relationship between the trace element characteristics of altered minerals and rare earth mineralization is not clear.
    OBJECTIVESTo better understand the relationship between fenitization and REE mineralization in the Maoniuping deposit as well as to provide references for prospecting carbonate-related (including alkaline rock) REE deposits.
    METHODSTrace elements for aegirine-augite and arfvedsonite in different stages of fenitization veins (ore-bearing or barren rocks) from the Maoniuping deposit, Dagudao area were analyzed by ICP-MS and LA-ICP-MS.
    RESULTSIn situ trace elements of aegirine-augite in different stages of fenitization veins showed that La/Nd (0.19-0.23), LREE/HREE (6.58-7.79), Ce/Nd (0.95-1.11), (La)N/(Yb)N (2.07-2.33) values of aegirine-augite in ore-bearing veins were higher than those of barren veins.
    CONCLUSIONSCompared with whole rock trace elements, high contents of La, Ce, LREE, ΣREE in mineral veins, strong differentiation of light and heavy rare earths may represent fenitization-related fluid with high rare earth flux. The occurrence of fenitization veins and the whole-rock trace and in situ trace geochemical indicators of aegirine-augite in veins may provide references for the prospecting and exploration of carbonate-type rare earth deposits.

     

/

返回文章
返回